中文版
|
ENGLISH
High Temperature Furnace
Toggle navigation
首页
产品中心
实验电炉
真空/气氛炉
工业电炉
电热烘干箱
自动化控制
耐火隔热材料
高温窑具
发热体/测温元件
耐火原料
代工服务
研发创新
核心技术
前沿科技
视频中心
企业视频
产品中心目录宣传视频
产品使用及操作讲解视频
新闻中心
行业展会活动
公司新闻
新品上市
技术支持
售后服务
免费培训
文字资料下载
视频资料下载
软件下载
客户评价
实验炉客户评价
工业炉客户评价
真空气氛炉客户评价
耐火隔热材料客户评价
烘干箱客户评价
联系我们
关于炬星
公司简介
参展信息
炬星大事记
企业文化
组织架构
售后体系
生产场景
荣誉资质
品质证书
发货场景
在线商城
ENGLISH
首页
> 产品中心 >
氧化铝/莫来石窑具
> 齿科炉用刚玉莫来石匣钵
产品详情
规格参数
定制功能
视频
资料下载
技术支持
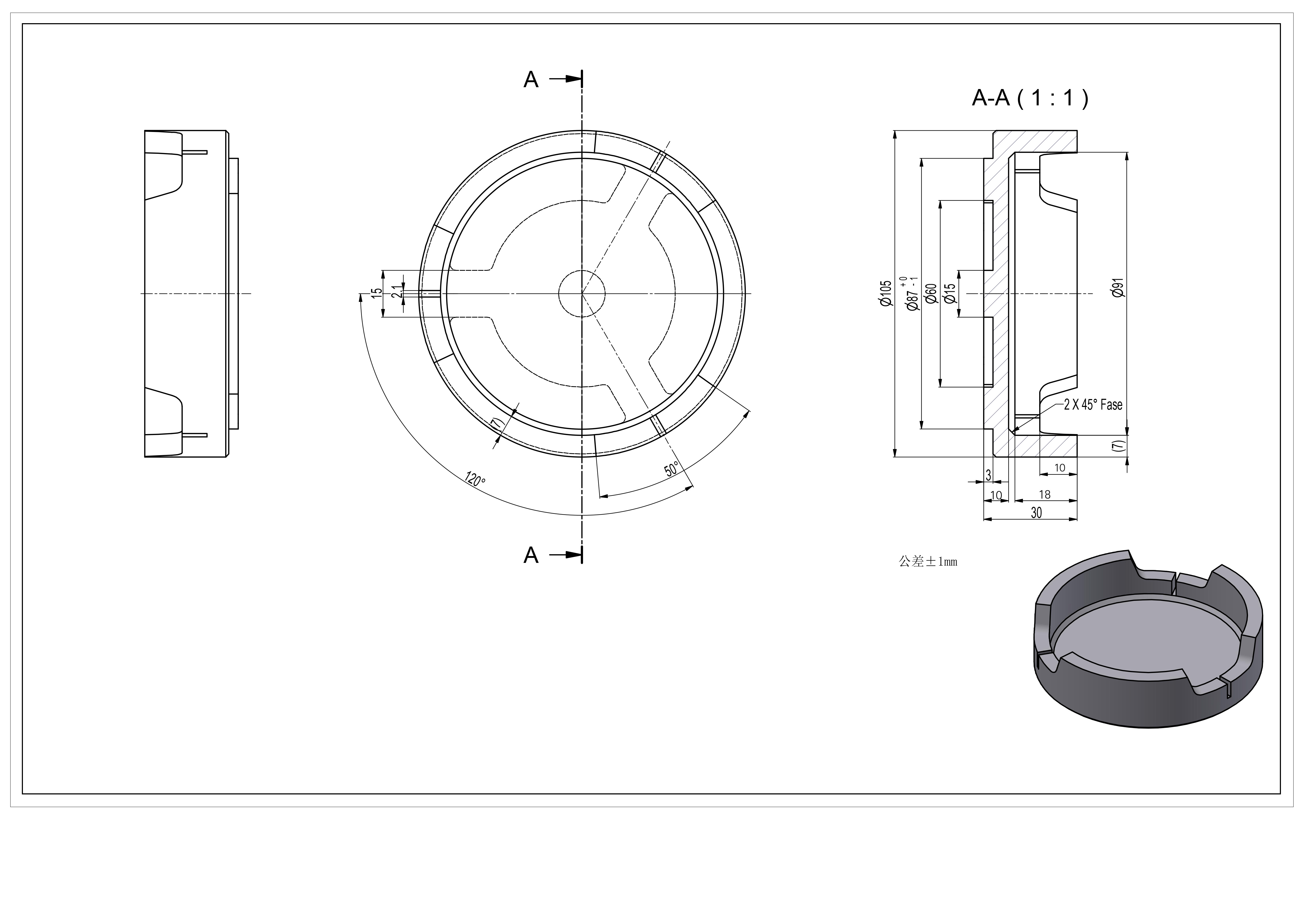
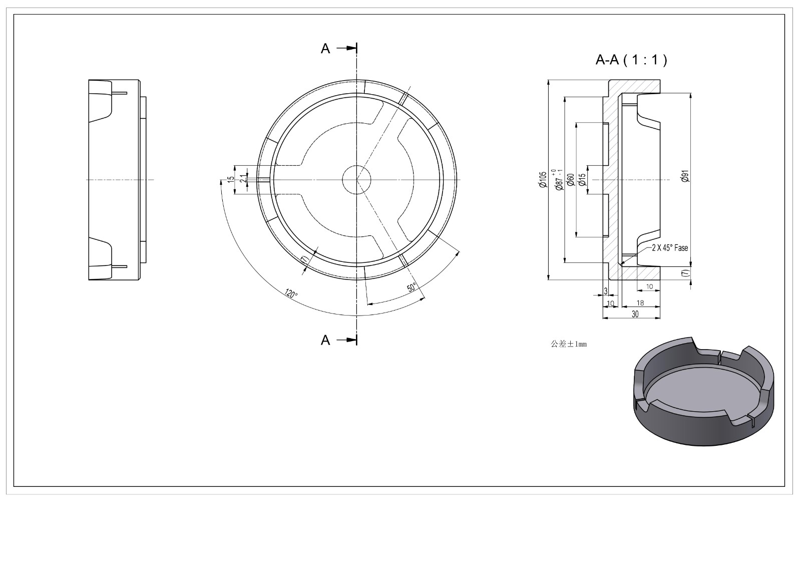
产品名称:
齿科炉用刚玉莫来石匣钵
型号:
齿科炉用刚玉莫来石匣钵
规格:
齿科炉用刚玉莫来石匣钵
备注:
齿科炉用刚玉莫来石匣钵
化学成分
成分名称
含量(%)
灼烧减量 LOSS(1025℃)
<0.05
三氧化二铝 AL
2
O
3
87.66
二氧化硅 SiO
2
11.69
三氧化二铁 Fe
2
O
3
0.15
氧化钙 CaO
0.12
氧化镁 MgO
<0.01
氧化钾 K
2
0
0.08
氧化钠 Na
2
O
0.14
二氧化钛 TiO
2
0.07
支持尺寸定制
齿科炉用刚玉莫来石匣钵
齿科用陶瓷烧结炉
齿科用刚玉莫来石匣钵.jpg
文件大小:717.49K
下载
相关产品
GWDL-镁铝尖晶石
GWDL-堇青石-莫来石坩埚
GWDL-中空莫来石承烧板
用于5N氧化铝,氧化铟陶瓷粉体煅烧
氧化锆承烧板
用于粉末冶金注射成型不锈钢多气孔高铝板
用于粉末冶金注射成型不锈钢陶瓷板
用于氧化锆插芯,套管等陶瓷烧结
高铝推板
3C手机外观陶瓷/手机背板
电话:+86 13271526781
邮箱:thermo@gwdl.com